
Projets et réalisations pour professionnels et collectivités
Réhabilitation pour des bureaux
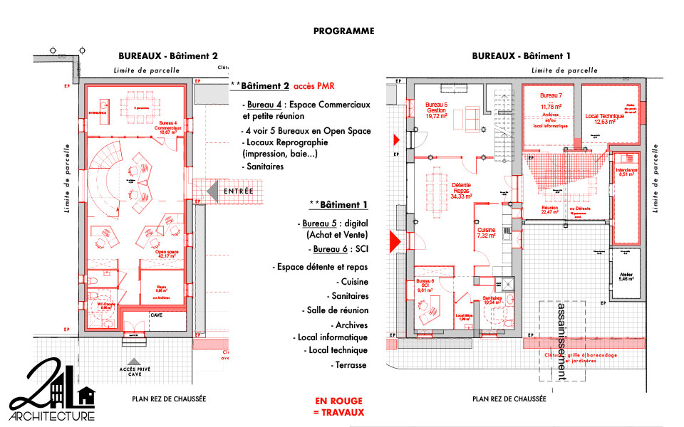
Aménagement des annexes d’un château
Sur ce domaine, la mission est la réhabilitation de deux annexes pour l’aménagement du siège d’une société. La maisonnette et la grange sont transformées en bureaux sur deux niveaux, au cœur une cour avec une clôture traditionnelle vient unifier cet espace professionnel.
- Les matériaux mis en œuvre : enduit à la chaux, plancher bois et charpente traditionnelle
MARCHÉ PRIVÉ – PROFESSIONNEL – ÉQUIPE DE Maîtrise d’œuvre*
SPÉCIFICITÉ : acoustique
*Avec des cotraitants : des Bureaux d’Etudes Techniques, un économiste et un pilote
Le projet en chiffres
Lieu : Orléans (45000), LOIRET
Montant des travaux : 500 000 €TTC
Durée : 9 mois de travaux
Nature : Réhabilitation – Rénovation
Surfaces utiles : 315 m²
Surface du terrain : 2 235 m²
Projets et réalisations